前言
自动转换开关电器(ATSE)Automatic Transfer Switching Equipment由一个(或几个)转换开关电器和其它必需的电器组成,用于监测电源电路,并将一个负载电路从一个电源自动转换至另一个电源的电器。电气行业中简称为“双电源自动转换开关”或“双电源开关”。
符合的标准为IEC60947-6-1、GB/T14048.11《自动转换开关电器》和IEC60947-1、GB/T14048.1《低压开关设备和控制设备总则》。
ATSE在我国经历了四个发展阶段,即两接触器式、两断路器式、两负荷隔离开关式和励磁式一体化。
● 第一代 CC级
★ 接触器式转换开关
★ 机械连锁不可靠
★ 耗电量大
● 第二代 CB级
★ 两台断路器及其机械和电气连锁装置组成
★ 具有短路或过电流保护功能
★ 机械连锁不可靠
● 第三代 派生PC级
★ 负荷隔离开关式转换开关
★ 转换由电机驱动
★ 具有双断功能
● 第四代 PC级
★ 励磁式一体化转换开关
★ 转换速度快
★ 机械连锁可靠
从双电源ATSE的发展过程和趋向来看,PC级双电源将成为工程中的应用主流。《固定式消防泵驱动器-控制器》(IEC标准修正草案)中指出,ATSE不应带短路和过电流保护功能,而CB级ATSE不能够满足这一点,一旦出现短路和过电流的情况,脱扣器脱扣会造成电源侧虽然有电,而负载没电,不能满足一、二级负荷对供电的要求。
符合标准
● GB14048.1
总则
● GB/T14048.11-2008
自动转换开关电器
● IEC60947-1
总则
● IEC60947-6-1
自动转换开关电器
污染等级
● YTEQ2系列开关已被认证可以在污染等级为3级的环境中运行
● 由GB14048标准中针对工业用电器适用环境的规定
电器级别
● GB/T14048.11 (IEC60947-6-1)标准定义,YTEQ2为PC级转换开关电器
电磁兼容性
● 静电放电
Level 4
● 电快速脉冲群
Level 4
● 射频辐射骚扰
Level 3
● 射频传导骚扰
Level 3
● 浪涌
Level 4
正常工作与安装条件
● 空气温度:-5°C~40°C
● 海拔≤2000m
● 最高温度40°C,空气的相对湿度不超过50%
● 开关主体水平安装
使用类别
● AC-33A
型号及意义
技术参数
|
规格 |
YTEQ2-80 |
YTEQ2-125 |
YTEQ2-400 |
YTEQ2-500 |
YTEQ2-1600 |
YTEQ2-4000 |
| 壳架电流(A) | 80 | 125 | 400 | 500 | 1600 | 4000 |
|
额定电流Ie(A) |
16~80 |
16~125 |
160~400 |
500 |
630~1600 |
2000~4000 |
|
工作位 |
II |
II/III |
II/III |
II/III |
III |
II |
|
极数 |
2/3/4P |
2/3/4P |
2/3/4P |
2/3/4P |
3/4P |
3/4P |
|
额定频率f(hz) |
50/60 |
50/60 |
50/60 |
50/60 |
50/60 |
50/60 |
|
额定电压Ue(v)Ac |
230/400 |
230/400 |
230/400 |
230/400 |
400 |
400 |
|
额定绝缘电压Ui(V) |
690 |
690 |
690 |
690 |
690 |
690 |
|
额定冲压额定冲击耐受电压uimp(kv) |
8 |
8 |
8 |
8 |
8 |
8 |
|
使用类别 |
AC-33A |
AC-33A |
AC-33A |
AC-33A |
AC-33iA |
AC-33iA |
|
额定限制短路Iq(kA)熔断器保护下 |
100 |
100 |
120 |
120 |
120 |
200 |
|
额定短时耐受电流Icw |
5KA/1S |
10KA/1S |
12KA/0.3S |
12KA/0.3S |
42KA/0.5S |
50KA/0.5S |
|
触头转换时间 |
<70ms |
<70ms |
<100ms |
<100ms |
<120ms |
<50ms |
|
控制电源电压Us(V)AC |
230 |
230 |
230 |
230 |
400 |
400 |
|
电气寿命120次/时(次) |
6000 |
6000 |
6000 |
6000 |
5000 |
3000 |
|
机械寿命(次) |
20000 |
20000 |
20000 |
20000 |
10000 |
10000 |
|
位置反馈信号(分别) |
2常开+2常闭 |
|||||
功能特点
|
一体化设计
|
|
|
|
|
|
![]() |
|
|
励磁驱动 |
|
![]() |
● 励磁线圈驱动,本体转换时间≤70ms。 ● 应用范围广,适用于医疗场所、安全级应急照明等重要场所。
|
|
使用类别AC-33A |
|
|
|
|


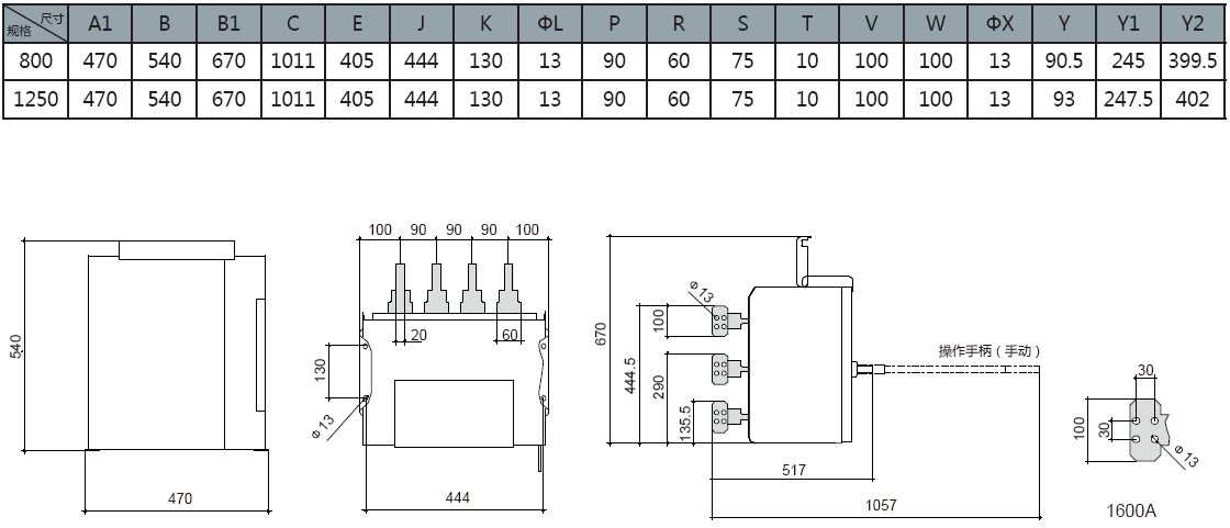
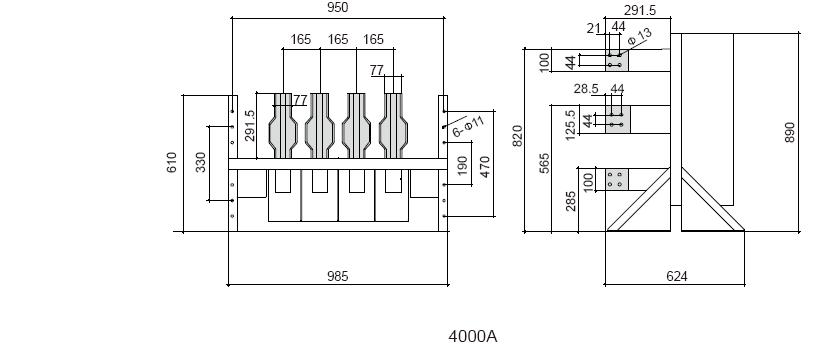
产品尺寸





电气连接-内置控制器
动作顺序
二段式内置型开关动作顺序

三段式内置型开关动作顺序



苏公网安备 32100302010701号