远泰电器
语言
中文
English
首 页
关于我们
新闻动态
产品中心
工程案例
资料下载
联系我们
控制与保护开关
双电源开关
负荷隔离开关
过欠压保护开关
断路器
软启动器
电能质量
产品描述
特性参数
产品指标
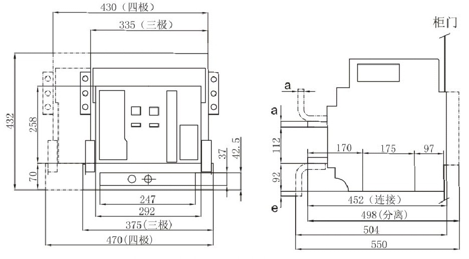
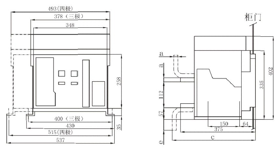
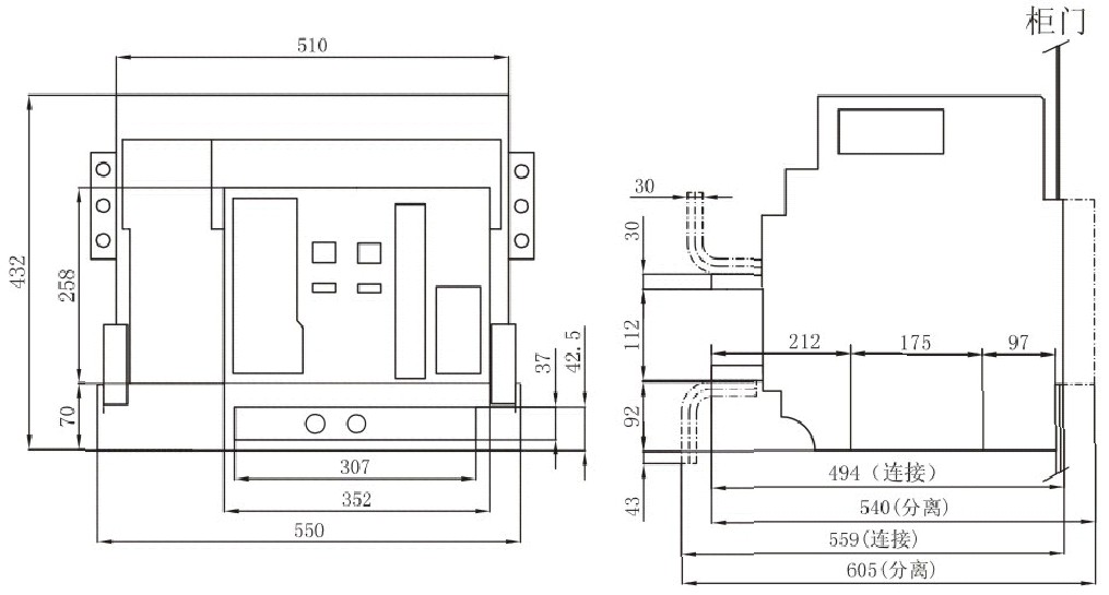
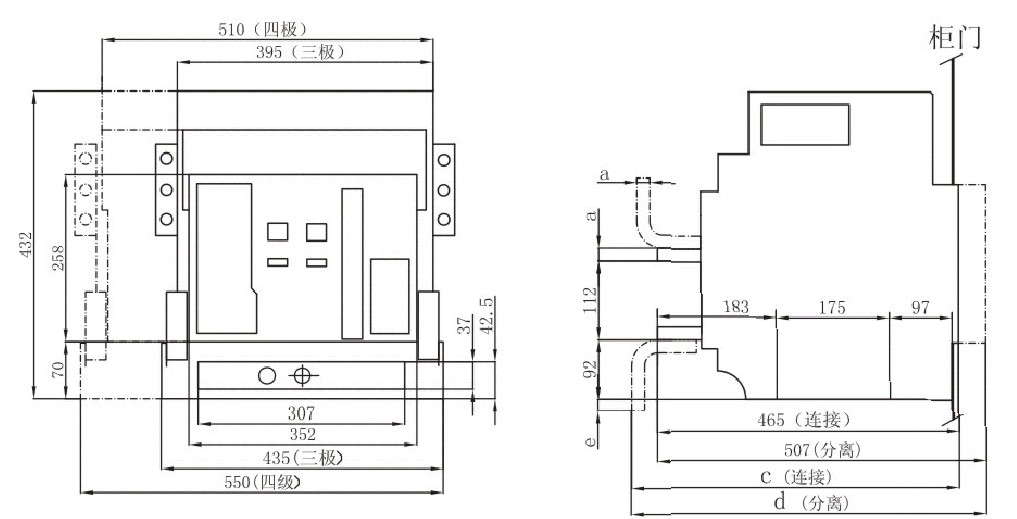
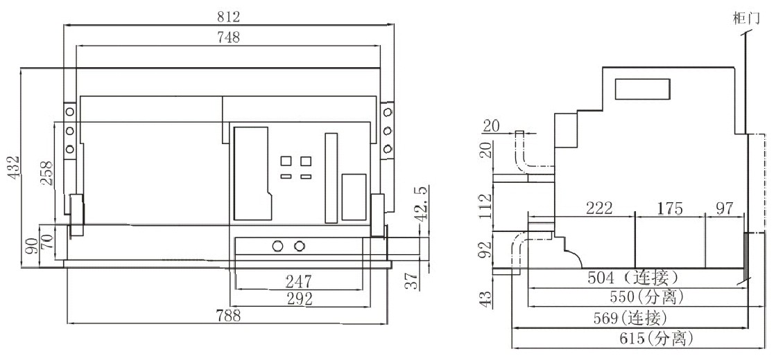
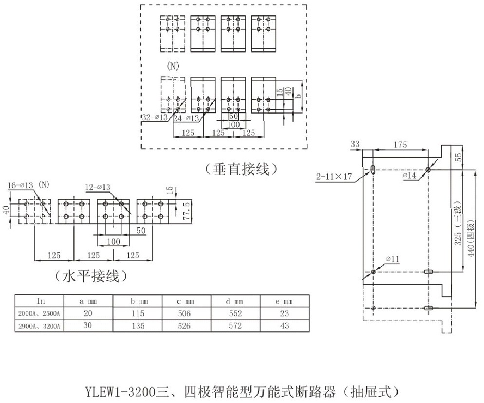
安装尺寸